Giỏ hàng: 0₫
Discontinued Product List
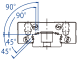
Cross section of Radial type model SPR
Cross section of 4-way type model SPS